中国政府网
云南省政府网
大理人大网
大理政协网
统一用户登录
微信
无障碍
长者模式
繁體
网站支持IPv6
首页
州政府
要闻动态
政务公开
政务服务
政民互动
印象大理
专题专栏
您当前的位置:
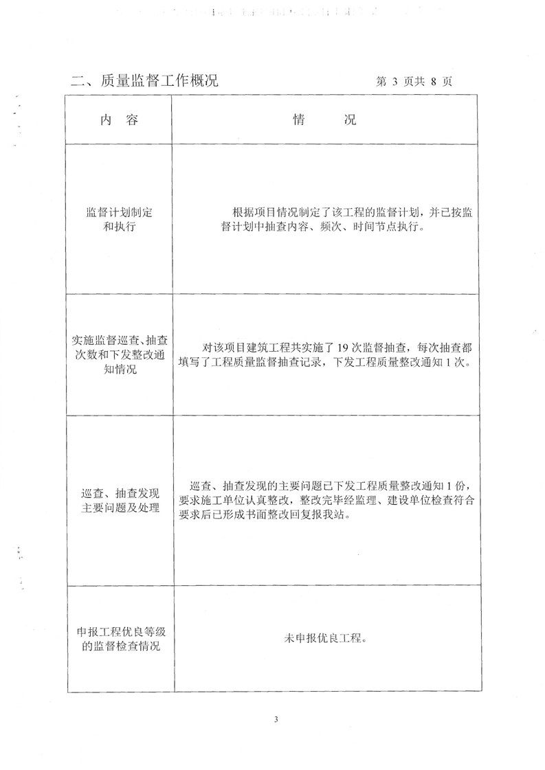
中恒壹号(一期)质量监督情况
来源:
发布时间:
浏览量:
字号:【
大
中
小
】
相关附件
收藏
【
打印
】
扫一扫在手机打开当前页
相关信息